ครบ จบ ในที่เดียว
เลือกเหล็กให้เหมาะกับงาน... C.S. Steel มีให้ครบ
C.S. Steel มี เหล็กรูปพรรณครบทุกประเภท ให้เลือกใช้ตามความต้องการของงาน ไม่ว่าจะเป็นท่อกลม ท่อเหลี่ยม ท่อแบน รองรับงานเสา คาน งานตกแต่งและงานระบบทั่วไป นอกจากนี้ยังมีเหล็กรูปพรรณอื่นๆ เช่น เหล็กแผ่น เหล็กตัวซี เหล็กฉาก ครอบคลุมทุกขนาด ทุกไซซ์ ทุกความหนา ตามมาตรฐาน มอก. ทําให้ลูกค้าไม่ต้องสั่งซื้อจากหลายที่ สั่งซื้อสะดวก ตอบโจทย์ทุกงานโครงสร้างอย่างรวดเร็ว ปลอดภัย และประหยัดเวลาการทำงาน
ท่อกลม
ผลิตโดยนำเหล็กกล้าทรงแบนเคลือบสังกะสี(Hot-Dip Galvanized) ทั้งด้านในและด้านนอก ที่มีมวลชั้นเคลือบ 60–80 g/m² ผ่านกระบวนการขึ้นรูปเป็นท่อทรงกลม ซึ่งเป็นวิธีป้องกันสนิม ที่มีประสิทธิภาพสูงสุด ช่วยให้ทนทานการกัดกร่อนสูง และมีอายุใช้งานยาวนาน
การนำไปใช้งาน :
งานโครงสร้างทั่วไป เช่น โรงงาน โกดัง โครงหลังคา
งานก่อสร้างภายนอกที่ต้องการวัสดุป้องกันสนิม
งานตกแต่งภายนอก เช่น รั้ว ราวกันตก
ขนาดตั้งแต่ 12(1/2")-150(6") mm.
ท่อเหลี่ยม
ผลิตโดยนำเหล็กกล้าทรงแบนเคลือบสังกะสี (Hot-Dip Galvanized) ทั้งด้านในและด้านนอก ที่มีมวลชั้นเคลือบ 60–80 g/m² ผ่านกระบวนการขึ้นรูปเป็นท่อทรงสี่เหลี่ยมจัตุรัส มุมฉากเรียบคม ด้านในกลวง น้ำหนักเบา และความหนาที่เหมาะสม ตัววัสดุมีคุณสมบัติป้องกันสนิม จึงช่วยให้โครงสร้างดูดีและใช้งานได้นานขึ้น
การนำไปใช้งาน :
งานโครงสร้างและดีไซน์: ใช้ได้ทั้งโครงสร้างหลัก (เสา, คาน, โครงหลังคา) และงานตกแต่ง (เฟอร์นิเจอร์, รั้ว, ราวกันตก) ที่ต้องการความแข็งแรง ทันสมัย
งานภายนอกอาคาร/พื้นที่พิเศษ: ทนทานต่อทุกสภาพอากาศ (แดด, ฝน, ความชื้น, ไอเค็มทะเล) เหมาะกับงานกลางแจ้ง, โรงเรือน, คอกสัตว์ หรือพื้นที่ที่ดูแลยาก
ขนาดตั้งแต่ 12x12- 150x150 mm.
ความหนาตั้งแต่ 0.7-4.5 mm.
ท่อแบน
ผลิตโดยนำเหล็กกล้าทรงแบนเคลือบสังกะสี(Hot-Dip Galvanized) ทั้งด้านในและด้านนอก ที่มีมวลชั้นเคลือบ 60–80 g/m² ผ่านกระบวนการขึ้นรูปเป็นท่อทรงสี่เหลี่ยมผืนผ้าแบบกลวง ที่มีคุณสมบัติป้องกันสนิมได้ดี มุมฉาก 90 องศา ผิวเรียบ น้ำหนักเบา ความหนาของเหล็กเหมาะสม ติดตั้งง่าย และมีให้เลือกหลายขนาด เพื่อตอบโจทย์งานก่อสร้างที่หลากหลาย
การนำไปใช้งาน :
งานโครงสร้าง/ตกแต่ง: เหมาะกับงานโครงสร้าง (เสา, คาน, โครงหลังคา) และงานตกแต่งสไตล์โมเดิร์น (เฟอร์นิเจอร์, โครงป้าย, ราวระเบียง)
งานภายนอก/พื้นที่ชื้น: ทนทุกสภาพอากาศ (แดด, ฝน, ความชื้นสูง, ไอเค็ม) เหมาะกับงานกลางแจ้ง, ชายคา, กันสาด
ขนาดตั้งแต่ 38x19-150x100 mm.
ความหนาตั้งแต่ 0.7-4.5 mm.
เหล็กตัวซี
เหล็กรูปพรรณขึ้นรูปเย็นหน้าตัดรูปตัว "C" ผลิตจากเหล็กกล้าทรงแบนเคลือบสังกะสีทั้งด้านนอกและด้านใน (Hot-Dip Galvanized) ที่มีมวลชั้นเคลือบ 60–80 g/m2 ขึ้นอยู่กับประเภทและรูปทรงของเหล็ก เพื่อป้องกันสนิมและการกัดกร่อน ได้อย่างดีเยี่ยม มีน้ำหนักเบา ติดตั้งง่าย แข็งแรงทนทานสูง รับแรงดี และได้มาตรฐาน มอก. มั่นใจได้ในคุณภาพระยะยาว
การนำไปใช้งาน :
งานโครงสร้างหลังคาและผนัง: เหมาะสำหรับโครงหลังคา, แปหลังคา, โครงผนัง หรือคานรับน้ำหนักในอาคารทุกประเภท
งานโครงสร้างน้ำหนักเบา: ใช้ในโครงสร้างที่ไม่รับน้ำหนักมาก เช่น โครงฝ้าเพดาน, โครงป้ายโฆษณา
งานภายนอกอาคาร: ทนทานต่อสภาพอากาศ (แดด, ฝน, ความชื้น, ไอเค็มทะเล) เหมาะกับงานกลางแจ้ง, โรงเรือน, หรือโครงสร้างที่ต้องการความทนทาน
ขนาดตั้งแต่ 75×45×15 - 150×50×20 mm.
ความหนาตั้งแต่ 1.6-3.2 mm.
เหล็กแผ่นปั๊มลาย
เหล็กแผ่นปั๊มลายคือเหล็กแผ่นที่ผ่านการปั๊มลายบนผิวหน้า เพื่อเพิ่มแรงเสียดทาน ช่วยป้องกันการลื่น ลายยอดนิยม เช่น ลายตีนไก่ (ลายข้าวหลามตัด) นิยมใช้ในงานที่ต้องการความปลอดภัยและความแข็งแรง ทนทานต่อการสึกหรอ และสามารถรับน้ำหนักได้ดีเยี่ยม มีให้เลือกหลายขนาดและความหนา เพื่อให้คุณเลือกใช้ได้ตามความเหมาะสมของงาน
การนำไปใช้งาน :
งานพื้นกันลื่น: เหมาะสำหรับใช้ปูพื้นทางเดิน บันได พื้นรถยนต์ พื้นรถบรรทุก หรือพื้นโรงงาน ที่ต้องการความปลอดภัยเป็นพิเศษ
งานโครงสร้าง: สามารถนำไปใช้ในงานโครงสร้างที่ต้องการความแข็งแรงและทนทาน เช่น พื้นโรงงาน โกดังหรือโครงสร้างที่ต้องการความทนทานต่อการสึกหรอ
งานตกแต่ง: ด้วยลวดลายที่เป็นเอกลักษณ์ เหล็กแผ่นลายยังสามารถนำไปประยุกต์ใช้ในงานตกแต่งที่ต้องการความสวยงามและแข็งแรง เช่น เฟอร์นิเจอร์แนวลอฟท์ หรือผนังตกแต่ง
ขนาด 1219x2440 mm.
ความหนาตั้งแต่ 1.6-3.2 mm.
C.S. Steel มีครบทุกชนิด ทุกไซซ์ ทุกความหนา พร้อมคำแนะนำจากทีมผู้เชี่ยวชาญ
มาตรฐาน มอก.
รู้ลึก มอก. 107-2566 กับ C.S. STEEL
อะไรที่เพิ่มขึ้น และทำไมคุณถึงควรเลือกเหล็กที่ผ่านมาตรฐานฉบับใหม่นี้ C.S. STEEL อยากให้ลูกค้าเข้าใจว่า มอก. ไม่ใช่แค่ "ตรารับรอง" แต่คือหลักประกันความปลอดภัย ที่จับต้องได้ ล่าสุด มอก. 107 ได้อัปเดทจากปี 2561 มาเป็นฉบับ 2566 โดยประกาศในราชกิจจานุเบกษา เมื่อ 5 ก.ค. 2567 และเริ่มมีผลบังคับใช้ตั้งแต่ 2 พ.ย. 2567 เป็นต้นไป
เทียบจุดเด่นที่เปลี่ยนไป
ขอบข่ายขนาดและความหนา
กำหนดให้มีขนาดที่หลากหลายขึ้น โดยความหนาผนังท่อขึ้นอยู่กับวัตถุดิบตามที่กำหนด เพิ่มเกณฑ์ ความคลาดเคลื่อน (Tolerance) ที่เข้มงวดขึ้น
การเคลือบผิวสังกะสี (Zinc Coating)
เพิ่มรายละเอียดชัดเจนมากขึ้น เช่น Pre-Galvanized (เคลือบผิวก่อนขึ้นรูป) กำหนดค่า มวล/ความหนาสังกะสีขั้นต่ำ
การใช้วัตถุดิบ
ระบุให้ควบคุมคุณภาพของแผ่นเหล็กที่นำมาเคลือบ เช่น GI(มอก.3243), ZAM(JIS G 3323) ต้องผ่านมาตรฐานการเคลือบและความหนาทั้งสองด้านของวัตถุดิบ
การควบคุมคุณภาพ
เพิ่มข้อกำหนดด้านการทดสอบและตรวจสอบคุณภาพสินค้า คุมเข้มเพื่อป้องกันสินค้าลดสเปก/คุณภาพต่ำเข้าสู่ตลาด
มอก.107-2566 เข้มงวดขึ้นทั้งในด้านขนาด วัตถุดิบ การเคลือบ และการตรวจสอบคุณภาพ เพื่อให้ผู้ใช้งานมั่นใจว่าได้ท่อเหล็กคุณภาพตรงตามสเปก
เหล็กมาตรฐาน มอก. = ความปลอดภัยที่มองเห็นได้จริง
มาตรฐานผลิตภัณฑ์อุตสาหกรรม (มอก.) ไม่ได้เป็นแค่สัญลักษณ์บนสินค้า แต่เป็น “ตัวการันตีคุณภาพ” ที่ช่วยให้ลูกค้าทุกคนมั่นใจในความปลอดภัยของโครงสร้างตั้งแต่วันแรกที่ใช้งาน
การเคลือบผิวสังกะสี (Zinc Coating)
เพิ่มรายละเอียดชัดเจนมากขึ้น เช่น Pre-Galvanized (เคลือบผิวก่อนขึ้นรูป) กำหนดค่า มวล/ความหนาสังกะสีขั้นต่ำ
ได้เหล็ก “หน้าเต็ม หนาเต็ม” ตามสเปกจริง
มอก.กำหนดขนาด น้ำหนัก ความหนาของเหล็กอย่างชัดเจน ช่วยลดความเสี่ยงจากเหล็กลดสเปก ที่อาจทำให้โครงสร้างทรุดหรือพังเร็วกว่าปกติ
เชื่อมแข็งแรง ทนแรงดึงได้จริง
มอก. บังคับการทดสอบแรงดึงและการเชื่อม เพื่อให้แน่ใจว่าโครงสร้างจะรับน้ำหนักได้ดี ไม่แตกร้าวง่าย
กันสนิมยาวนาน
เหล็กเคลือบสังกะสีที่ผ่านมาตรฐาน มอก. จะมีการควบคุมปริมาณสังกะสีตามเกณฑ์ ไม่บาง ไม่ลดขั้นตอน ลดปัญหาเหล็กผุเร็วโดยไม่รู้ตัว
มั่นใจในทุกขั้นตอน ตรวจสอบย้อนหลังได้
เหล็กที่ได้มาตรฐานจะมีระบบควบคุมคุณภาพ และสามารถตรวจสอบย้อนกลับถึงวัตถุดิบและกระบวนการผลิตได้จริง ลดความเสี่ยงจากสินค้าที่ไม่ได้คุณภาพ
เหล็กดี…โครงสร้างก็มั่นคง” เพราะคุณภาพเหล็กไม่ใช่แค่เรื่องราคา แต่คือ “ความปลอดภัย” ของทุกชีวิต
โครงหลังคายุบตัวเร็วกว่ากำหนด เสาเหล็กบิดงอ หรือตึกแตกร้าวก่อนเวลา สาเหตุหนึ่งมักมาจาก “เหล็กที่ไม่ได้มาตรฐาน”เพราะเหล็กเป็น “แกนหลักสำคัญของโครงสร้าง” หากเลือกเหล็กที่บางกว่ามาตรฐาน น้ำหนักไม่เต็ม หรือเคลือบสังกะสีไม่เพียงพอ ผลที่ตามมาอาจไม่ได้จบแค่ “ซ่อมแซม” แต่คือ “ความเสี่ยงของชีวิตและทรัพย์สิน” ที่ไม่ควรมองข้าม
ทำไมต้องเลือก C.S. Steel
C.S. Steel ผลิตและจำหน่ายเหล็กที่ได้ มาตรฐาน มอก. ครบถ้วน ทุกขั้นตอน ตั้งแต่วัตถุดิบจนถึงสินค้าสำเร็จรูป พร้อมรับรองคุณภาพด้วยมาตรฐาน มอก. หลายรายการ เช่น
• มอก.107-2566 (ท่อเหล็กโครงสร้าง)
• มอก.1479-2558, 528-2560 (เหล็กทรงแบนรีดร้อน)
• มอก.50-2565, 3243-2564,(เหล็กเคลือบสังกะสี)
• มอก.2223-2565,(เหล็กเคลือบสังกะสีโดยกรรมวิธีทางไฟฟ้า)
• มอก.2228-2565 (เหล็กเคลือบอลูซิงค์)
เพราะคุณภาพเหล็ก = ความปลอดภัยของโครงสร้าง C.S. Steel ใส่ใจทุกโครงการ เพื่อให้คุณปลอดภัยในทุกวัน
เหล็กหน้าเต็ม เคลือบเต็ม หนาเต็ม
เหล็กเต็มคุณภาพ (หน้าเต็ม เคลือบเต็ม หนาเต็ม)
ทำไมต้องเลือกเหล็กเต็มคุณภาพ
การเลือกใช้เหล็กไม่ได้เป็นเพียงการเปรียบเทียบราคา แต่คือการตัดสินใจด้านคุณภาพ ความปลอดภัย และความคุ้มค่าในระยะยาว เหล็กลดสเปกอาจทำให้โครงสร้างบิดงอ เกิดสนิม หรือแตกร้าวง่าย นำไปสู่ต้นทุนที่สูงขึ้น เสียเวลา และกระทบต่อความน่าเชื่อถือของงาน
ดังนั้น C.S. Steel จึงผลิตเฉพาะ “เหล็กเต็มคุณภาพ” ซึ่งคำว่า เต็ม ไม่ได้มีแค่ในชื่อ แต่คือเหล็กที่ได้ขนาดตรงตามสเปก แข็งแรง ทนทาน ใช้งานได้ยาวนาน และลดปัญหาที่อาจเกิดขึ้นในอนาคต
“เพราะเหล็กที่ดี ไม่ควรลดคุณภาพ และมาตรฐานที่แท้จริงต้องพิสูจน์ได้ในทุกชิ้นงาน”
ความรู้สำคัญที่ลูกค้าควรรู้
“เหล็กหน้าเต็ม”
คือเหล็กที่มีหน้าตัดได้ขนาดจริงตามสเปค ไม่มีการลดมุมหรือปรับขนาด เพื่อให้ได้โครงสร้างที่แข็งแรง เหมาะกับงานที่ต้องการความแม่นยำ
✔ ได้ขนาด ✔ ได้น้ำหนัก ✔ ได้โครงสร้างที่ปลอดภัย
“เหล็กเคลือบเต็ม”
เคลือบสังกะสีทั่วทั้งผิวท่อ ป้องกันสนิมได้ยาวนานกว่า อายุการใช้งานคุ้มค่า
“เหล็กหนาเต็ม”
ความหนาตามสเปกจริง ไม่มีลดต้นทุนด้วยการบางกว่ามาตรฐาน เหมาะสำหรับงานรับแรง งานโครงสร้าง และงานที่เน้นความปลอดภัย
เสริมความรู้เรื่อง การเชื่อม ERW (Electric Resistance Welding)
ERW หรือ Electric Resistance Welding คือวิธีเชื่อมโลหะด้วยกระแสไฟฟ้า โดยใช้แรงกดและความร้อนที่เกิดจากความต้านทานไฟฟ้า ทำให้ขอบโลหะหลอมติดกันโดยไม่ต้องใช้ลวดเชื่อมหรือวัสดุเติมอื่น ๆ
• ทำให้แนวเชื่อมเรียบ แข็งแรง สม่ำเสมอ
• ลดความเสี่ยงเรื่องรอยรั่วและรอยแตกร้าว
ตัวอย่างปัญหาจากเหล็กลดสเปก (ที่คุณอาจเจอถ้าไม่ได้เลือก C.S. Steel)
โครงหลังคายุบตัวจากเหล็กบางไม่ตามสเปก
สนิมกินจากภายในเพราะเคลือบไม่ทั่วถึง
ติดตั้งยาก ตัด-เชื่อมแล้วแตกเพราะเนื้อเหล็กไม่สม่ำเสมอ
เหล็กที่ดี…ต้อง หน้าเต็ม • เคลือบเต็ม • หนาเต็ม
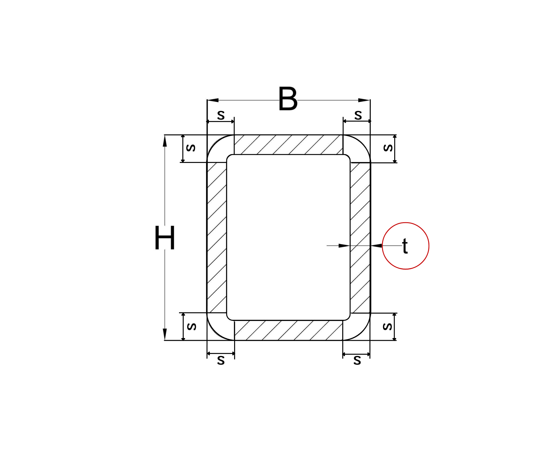
วิธีการตรวจสอบเหล็ก หน้าเต็ม เคลือบเต็ม หนาเต็ม เบื้องต้น
เหล็กหน้าเต็ม
วัดขนาดมิติของท่อ ด้าน H และ ด้าน B
ตัวอย่างเช่น
ขนาดท่อ ระบุ 100x50 ความหนา 2.00 mm. ขนาดที่วัดได้ต้องอยู่ในค่า 98.50-101.50x48.50-51.50 mm. หรืออยู่ในค่าบวก ลบ 1.50 mm.
เครื่องมือที่ใช้ในการตรวจวัด
• เวอร์เนียคาลิปเปอร์
• ตลับเมตร
เหล็กเคลือบเต็ม
สังเกตจาก Marking ข้างท่อ
เหล็กหนาเต็ม
วัดขนาดความหนาของท่อ t
ตัวอย่างเช่น
ขนาดท่อ ระบุ 100x50 ความหนา 2.00 mm. ขนาดที่วัดได้ต้องอยู่ในค่า 1.80-2.20 mm. หรืออยู่ในค่าบวก ลบ 0.30 mm.
เครื่องมือที่ใช้ในการตรวจวัด
• ไมโครมิเตอร์
• Thickness gauge
ทำไมต้องเลือกเหล็กเต็มคุณภาพจาก C.S. Steel
• มั่นใจในน้ำหนักและความหนาเหล็กทุกเส้น
• ตรวจสอบได้ตามสเปกมาตรฐาน มอก./ISO
• เคลือบกันสนิมเต็มผิว ป้องกันการสึกกร่อน
• ผ่านการเชื่อมแบบ ERW ทุกเส้น มั่นใจโครงสร้างไร้รอยรั่ว
บริการรวดเร็ว
บริการรวดเร็ว ส่งตรงเวลา มั่นใจทุกออเดอร์
การใช้น้ำบริสุทธิ์จากระบบ Reverse Osmosis (RO) ในกระบวนการผลิตท่อเหล็กของ C.S. Steel เป็นหนึ่ง ในขั้นตอนสำคัญที่ช่วยยกระดับคุณภาพและความ ทนทานของผลิตภัณฑ์ช่วยลดคราบแร่ป้องกันสนิมยืด อายุการใช้งานพร้อมใช้งานได้อย่างมีประสิทธิภาพ
C.S. Steel ออกแบบการขนส่งและบริการหลังการขายเพื่อรองรับความเร่งด่วนและความแม่นยำของทุกออเดอร์
ทำไม “ความตรงเวลา” สำคัญในธุรกิจเหล็ก?
งานโครงสร้างเหล็กจำนวนมากต้องการสินค้าตรงเวลาตามแผนงาน เช่น การขึ้นโครงหลังคา, ติดตั้งชิ้นส่วนโครงสร้าง, งานระบบไฟฟ้า ฯลฯ
ความล่าช้าในการส่งวัสดุก่อสร้าง อาจส่งผลกระทบทั้งโครงการ เช่น:
๐ ทีมช่างต้องหยุดรอ เสียต้นทุนแรงงาน
๐ ผู้รับเหมาถูกปรับค่าล่าช้า
๐ โครงการส่งมอบล่าช้า กระทบชื่อเสียงบริษัท
จุดเด่นของบริการขนส่งจาก C.S. Steel
➤ มีรถขนส่งของตัวเอง ครอบคลุมหลายขนาด
➤ พร้อมจัดส่งทั้งในกรุงเทพฯ ปริมณฑล และต่างจังหวัด
➤ มีการตรวจสอบสินค้าก่อนจัดส่ง 100%
➤ ตรวจวัดขนาด / น้ำหนัก / ปริมาณก่อนโหลดขึ้นรถ
➤ ป้องกันความผิดพลาดก่อนถึงมือลูกค้า
➤ ระบบวางแผนเส้นทางล่วงหน้า
➤ ใช้ระบบบริหารเส้นทาง (Route Optimization) ช่วยลดเวลาการเดินทาง
➤ วางแผนรอบจัดส่งล่วงหน้าให้ลูกค้าเช็คสถานะได้




